위치: > 제품 센터 > 뉴기어 > 중공 회전 액추에이터 > 고정밀 중공 회전 플랫폼 회전 위치 조절기 PTN060

고정밀 중공 회전 플랫폼 회전 위치 조절기 PTN060

Productfeatures:

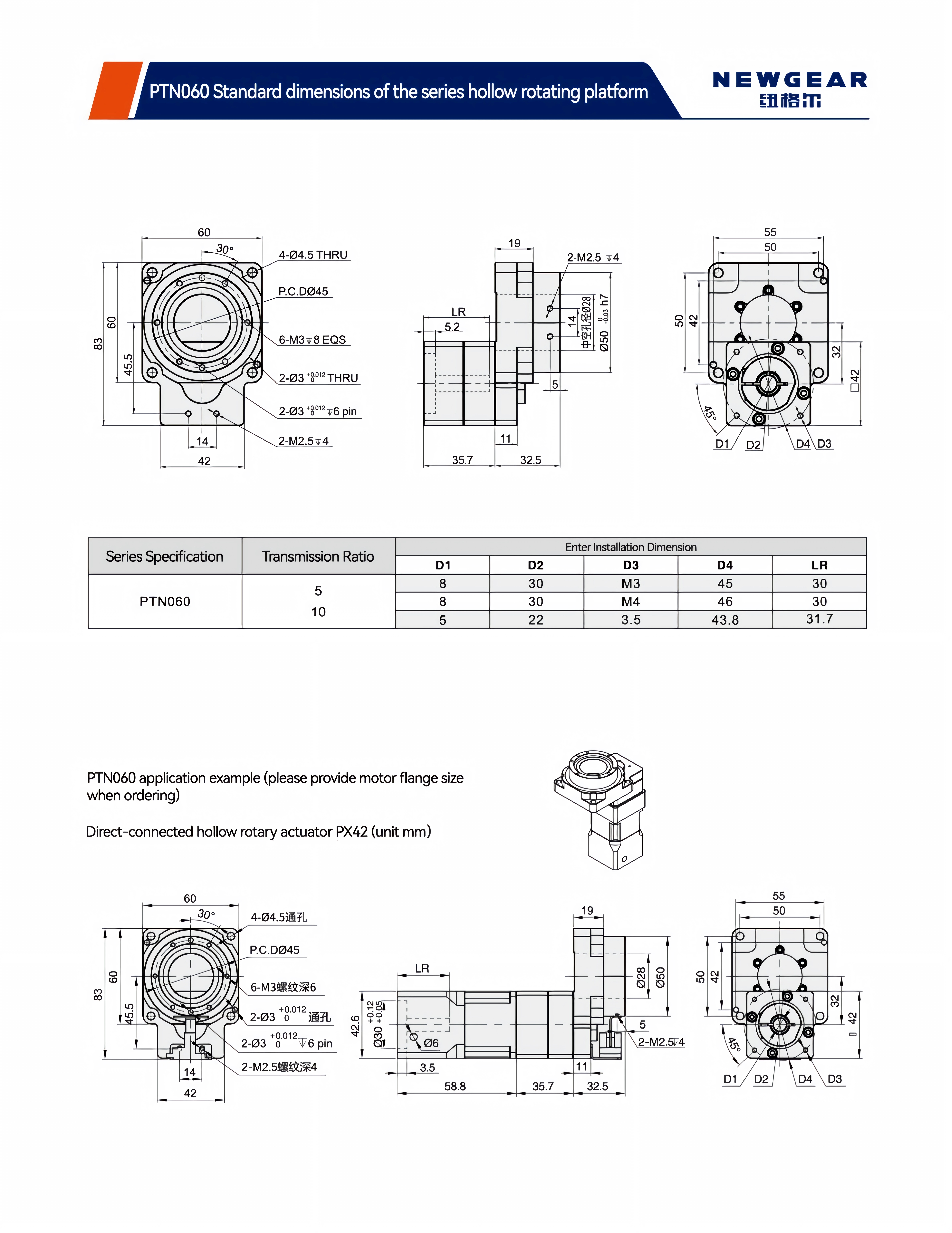
PTN060은 당사의 중공 회전 테이블 시리즈 중 비용 효율적인 모델로, 중저토크 자동화 애플리케이션에 적합하도록 설계되었습니다. NEMA 17 스테퍼 모터 및 50W/100W AC 서보 모터와 호환되며, 5:1 또는 10:1의 기어비를 제공합니다. 1 arc-min 이하의 백래시와 ±15 arc-sec의 반복 정밀도를 통해 정밀한 인덱싱 및 위치 지정을 보장합니다. 플랫폼의 핵심 장점을 계승하여, 케이블 연결이 용이하고 견고한 성능을 제공하는 스루홀 설계와 고강성 크로스 롤러 베어링을 적용했습니다. 표준 IP40 보호 등급을 갖추고 있어 일반적인 산업 환경에 적합합니다. 또한, 당사의 PX42 유성 기어박스와 원활하게 결합하여 속도 및 토크 범위를 확장할 수 있으며, 장비에 컴팩트하고 효율적인 회전 솔루션을 제공합니다.


고정밀 중공 회전 플랫폼 회전 위치 조절기 PTN060
고정밀 중공 회전 플랫폼 회전 위치 조절기 PTN060
고정밀 중공 회전 플랫폼 회전 위치 조절기 PTN060
고정밀 중공 회전 플랫폼 회전 위치 조절기 PTN060
고정밀 중공 회전 플랫폼 회전 위치 조절기 PTN060
고정밀 중공 회전 플랫폼 회전 위치 조절기 PTN060
고정밀 중공 회전 플랫폼 회전 위치 조절기 PTN060
고정밀 중공 회전 플랫폼 회전 위치 조절기 PTN060
고정밀 중공 회전 플랫폼 회전 위치 조절기 PTN060
고정밀 중공 회전 플랫폼 회전 위치 조절기 PTN060
고정밀 중공 회전 플랫폼 회전 위치 조절기 PTN060
고정밀 중공 회전 플랫폼 회전 위치 조절기 PTN060
고정밀 중공 회전 플랫폼 회전 위치 조절기 PTN060
귀하의 선호사항이나 맞춤화 요구 사항은 무엇입니까?
저희 팀과 상담하세요
몇 분 안에 맞춤형 조언을 받아보세요.
견적 요청