지금 문의하기
제품 특징:
낮은 관성 설계: 가벼운 소재(알루미늄 합금 등)로 제작되어 에너지 소비를 줄이고 저속~중속, 장시간 작동에 적합합니다.
가벼운 하중에 적합: 최적화된 구조는 가벼운 컨베이어 벨트에 장력을 효과적으로 전달하여 과도한 마모를 방지합니다.
구동 전력 요구 사항 감소: 모터 부하가 줄어들고 에너지 효율이 향상됩니다.
이빨 모양이 동기 벨트와 완벽하게 일치하여 미끄러짐 없는 작동과 안정적인 변속비를 보장합니다.
벨트 편차와 진동을 방지하여 운반되는 물품의 원활한 운송을 보장합니다.
작동 소음이 낮아 조용한 생산 환경(식품 가공 작업장, 전자 조립실 등)에 적합합니다.
정밀한 이빨 피치: 컨베이어 속도와 위치의 동기화를 유지하여 제품 정렬 오류를 최소화합니다.
높은 메싱 정확도: 벨트 마모를 줄이고 벨트와 풀리 수명을 연장합니다.
장시간 연속 작업이 필요한 조립 라인에 적합합니다.
5mm 및 10mm 표준 피치 사양으로 비용 효율적인 신뢰성을 제공합니다. 안정적인 맞물림 성능을 위해 최적화된 치형 프로파일 설계를 특징으로 하며, 경량 변속 및 표준 토크 조건에 맞춰 특별히 설계되었습니다.
타이밍 풀리 T5
| 유형 | 재료 | 표면 처리 | ||||
| 벨트 폭: 10mm | 벨트 폭: 15mm | 벨트 폭: 20mm | 벨트 폭: 25mm | 고패 | 플랜지 | |
| A:11 W:16 L:28 | A:17 W:22 L:34 | A:22 W:27 L:39 | A:27 W:32 L:44 | |||
| AW**T5100 | AW**T5150 | AW**T5200 | AW**T5250 | 6061 | 6061 | 천연 아노다이징 | 
| AB**T5100 | AB**T5150 | AB**T5200 | AB**T5250 | 블랙 아노다이징 | ||
| AH**T5100 | AH**T5150 | AH**T5200 | AH**T5250 | 하드 아노다이징 | ||
| AN**T5100 | AN**T5150 | AN**T5200 | AN**T5250 | 니켈 도금 | ||
| SF**T5100 | SF**T5150 | SF**T5200 | SF**T5250 | S45C | SPCC | 블랙 산화물 코팅 | 
| SN**T5100 | SN**T5150 | SN**T5200 | SN**T5250 | 니켈 도금 | ||
타이밍 풀리 T10
| 유형 | 재료 | 표면 처리 | ||||||
| 벨트 폭: 15mm | 벨트 폭: 20mm | 벨트 폭: 25mm | 벨트 폭: 30mm | 벨트 폭: 40mm | 벨트 폭: 50mm | 고패 | 플랜지 | |
| A:17 W:22 L:37 | A:22 W:27 L:42 | A:27 W:32 L:47(52) | A:32 W:37 L:52(57) | A:43 W:48 L:61(63) | A:53 W:58 L:70 | |||
| AW**T10150 | AW**T10200 | AW**T10250 | AW**T10300 | AW**T10400 | AW**T10500 | 6061 | 6061 | 천연 아노다이징 | 
| AB**T10150 | AB**T10200 | AB**T10250 | AB**T10300 | AB**T10400 | AB**T10500 | 블랙 아노다이징 | ||
| AH**T10150 | AH**T10200 | AH**T10250 | AH**T10300 | AH**T10400 | AH**T10500 | 하드 아노다이징 | ||
| AN**T10150 | AN**T10200 | AN**T10250 | AN**T10300 | AN**T10400 | AN**T10500 | 니켈 도금 | ||
| SF**T10150 | SF**T10200 | SF**T10250 | SF**T10300 | SF**T10400 | SF**T10500 | S45C | SPCC | 페로페릭 산화물 보호 필름 | 
| SN**T10150 | SN**T10200 | SN**T10250 | SN**T10300 | SN**T10400 | SN**T10500 | 니켈 도금 | ||
타이밍 풀리 T5

타이밍 풀리 T10

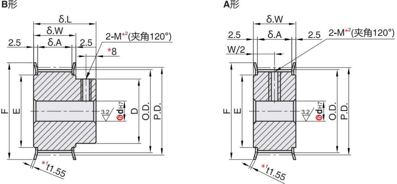
④ 풀리 프로파일


톱니 홈 치수는 톱니 수에 따라 약간씩 다릅니다. 톱니 피치(5mm)
축 구멍 사양 H(원형 구멍), V, F(계단 구멍), Y(양쪽 끝에 계단 구멍)에는 나사 구멍이 없습니다.
샤프트 구멍의 내부는 표면 처리가 되어 있지 않을 수 있습니다.
* A형 풀리와 P 또는 N 구멍이 있는 샤프트 구멍의 경우, 두 개의 나사 구멍은 톱니 홈의 중심에서 약 120° 또는 90° 떨어진 곳에 위치합니다.
④ 풀리 프로파일


톱니 피치 치수는 톱니 수에 따라 약간씩 다릅니다. 톱니 피치(10mm)
34, 50, 60개의 이빨의 경우 t = 2(선삭 플랜지).
축 구멍 사양 H(원형 구멍), V, F(계단형 구멍), Y(양쪽 끝에 계단형 구멍)의 경우 나사 구멍이 없습니다.
샤프트 구멍의 내부는 표면 처리가 되어 있지 않을 수 있습니다.
44~60개의 이빨을 가진 T10250 및 T10300 풀리의 경우 구멍 피치는 11이고, T10400 및 T10600 풀리의 경우 구멍 피치는 (LW)/2입니다.
L 치수 내 괄호 안의 치수는 44~60개의 이빨을 가진 풀리를 나타냅니다.
* A형 풀리와 P형 또는 N형 샤프트 구멍이 있는 풀리의 경우, 두 개의 나사 구멍은 톱니 간격의 중심에서 약 120° 또는 90° 떨어진 곳에 위치합니다.